
| 产品特点: | 该款光电式悬浮物测定仪是为测量市政污水或工业废水处理过程中悬浮物浓度而设计的在线分析仪表。无论是评估活性污泥和整个生物处理过程、分析净化处理后排放的污水都是非常合适的一款仪器!...... |

一、产品描述:
海晶HJ-SS-B型光电式悬浮物测定仪是为测量市政污水或工业废水处理过程中悬浮物浓度而设计的在线分析仪表。无论是评估活性污泥和整个生物处理过程、分析净化处理后排放的废水,还是检测不同阶段的污泥浓度,海晶HJ-SS-B型光电式悬浮物测定仪都能给出连续、准确的测量结果。
海晶HJ-SS-B型光电式悬浮物测定仪由变送器和传感器组成。传感器可以方便地安装在池内、排水管、压力管道或自然水体中,海晶HJ-SS-B型光电式悬浮物测定仪能自动补偿因污染而引起的干扰。变送器和传感器之间的双向数字通讯可防止信号衰减,并允许传感器距离变送器之间的距离较远。传感器带有空气清洗功能,能根据预先设置的时间自动定时清洗,从而大大降低了仪器维护的工作量。
二、应用领域:
给水厂 — 沉淀池;
造纸厂 — 纸浆浓度;
洗煤厂 — 沉淀池;
电力工厂— 灰浆沉淀池;
污水处理厂— 进水口、出水口、曝气池、回流污泥、初沉池、浓缩池、污泥脱水等。
三、测量原理:
海晶HJ-SS-B型光电式悬浮物测定仪的红外光在污泥和悬浮物中透射和散射的衰减与液体中的悬浮物浓度有关为基础。传感器上发射器发送的红外光在传输过程中经过被测物的吸收、反射和散射后仅有一小部分光线能照射到检测器上,透射光的透射率与被测污水的浓度有一定的关系,因此通过测量透射光的透射率就可以计算出污水的浓度。

图 四光束原理图
海晶HJ-SS-B型光电式悬浮物测定仪的传感器使用了四光束技术,如图中示意。采用四光束技术利用两个发射器和两个检测器,每个发射器发送的光线经过透射后照射到两个检测器上,这样就产生一系列的光路,得到一个数据矩阵,然后通过分析这些数据信号,即可得到介质中悬浮物的准确浓度,并能有效消除干扰,补偿因污染产生的偏差,使仪器能在较恶劣的环境中工作。
注:红外接收采用高精度的940nm光强转换为频率的集成电路芯片,使接收到的光强转变为数字信号。
四、技术参数:
1、主机参数:
测量范围:0~9999mg/L;0~50g/L;0~500g/L(可定制)
精 确 度:±1%FS
分 辨 率:0.01g/L 或1mg/L
重 复 性:±1%
流速范围:0.3 ~3 m/s
功 率:15 VA;
供电电源:AC220V,50/60 Hz;DC24V(可选)
温度范围:-20℃~55℃
输 出:1路4~20mA电流信号隔离输出,最大负载750欧姆;
2个报警信号继电器,容量220VAC/2A,输出可由用户设置;
1个冲洗时间继电器,容量220VAC/2A,时间可由用户设置。
测量单位:g/L和mg/L两种可选择。
外 壳:ABS/PVC工程塑料
防护等级:IP65
重 量:1.5 kg
传感器参数:
温度范围:0℃~80℃
压 力:≤10 bar
材 质:316不锈钢、ABS、K9光学玻璃
防护等级:IP68
电缆长度:10m(最长50米)
重 量:1.2 kg
五、产品特点:
●多光束相互补偿技术,消除光窗沾污造成的测量误差;
●空气自清洗功能,基本免维护;(用户可选空气吹扫装置,压力0.7-3.4Bar,通过1/4'聚丙烯管连接传感器接口。用户自备电磁阀。)
●测量方式自动转换适应大量程范围;
●数字化传感器,信号处理集成在传感器中,大大提高了测量的可靠性和稳定性;
●光学带通滤波和调制的激发光有效避免环境光对测量的影响;
六、产品展示图:
1、传感器部分:



图 常规传感器 图插入式传感器 传感器尺寸图
2、主机部分:


图 壁挂式主机 图主机尺寸图
七、仪表安装:
1、投入式安装:


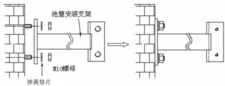
图 变送器及探头安装示意图
注意:投入式安装时,传感器一定要安装在安装支架上,不可以用传感器的电缆将传感器悬挂在水中。传感器应浸没至水面下不小于30cm 的深度,并避免阳光直射。
a、 首先在安装传感器的池壁合适位置打入四个M10 钢制膨胀螺栓,将如下图所示的传感器池壁安装支架通过M10 螺母和弹簧垫片固定在池壁的螺栓上,安装完成后如下图中右图所示。

b、 将传感器的电缆依次穿过塑料连接管、安装管、套管、盖和锁紧螺母;将传感器的螺纹与塑料连接套的螺纹孔相接并拧紧;塑料连接套则与安装管相连;然后将安装管穿过套管,根据现场测量深度通过两个紧定螺钉将套管固定在安装管上的合适位置;将弯头与安装管拧紧,防止雨水和其他物质进入安装管;将锁紧螺母拧紧,固定电缆。
2、插入式探头安装:
插入式安装方式是指把传感器通过安装支架插入到管道中的安装方式。适合于污泥管道等场合。

图 插入式传感器安装示意图
插入式传感器应该安装于上向流管路部分,如果不能实现,则推荐安装在水平管路中心45º~90º角度处。
(1) 将图中的前管与待安装传感器的管道相连(焊接),将不锈钢球阀与前管相连(螺纹连接);然后将后管与不锈钢球阀相连(螺纹连接);
(2) 将插入式传感器与传感器端法兰相连(螺纹连接);
(3) 在后管的法兰上垫一个法兰垫,将装有法兰的插入式传感器插入后管的管道,用M10螺柱将传感器端法兰与后管法兰连接固定。

图 插入式传感器安装示意图

hth手机版登录·官网app下载氮吹仪技术参数
1.技术参数: 样品位数:24 位。 兼容Ø10-35mm、H32-200mm 试管、离心管、锥形瓶......
查看更多
海晶CQ-30034Y型闭口开口闪点测定仪
性能特点1.自动化程度高:自动升温、搅拌、升降、冷却、打印、校准测试结果;2.控温精确:全程严格执行......
查看更多
海晶CQ-ND型运动粘度测定仪分析仪
多点控温,控温范围宽:可选20℃、40℃、50℃、80℃、100℃及室温~149度内任意温度;2.控......
查看更多
HTCT-1000F型自动微量残炭测定仪
一、用途及适用范围本仪器是根据中华人民共和国国家标准GB/T 17144《石油产品残炭测定法(微量法......
查看更多